网站首页
|
网站导航
|
留言反馈
全国销售热线:
400-628-1361
网站首页
关于我们
产品展示
波形沥青防水板
波形沥青瓦
屋面配件
案例展示
施工工艺
防水板施工工艺
波形沥青瓦施工
镀铝锌钢挂瓦条施工
资料下载
检测报告下载
施工方案下载
客服中心
联系我们
在线留言
主要产品
陶感波形沥青瓦
屋面瓦片
波形沥青防水材料
客服中心
联系我们
售后服务
检测报告
施工工艺
09J202-1-图集坡屋面施工
坡屋面建筑构造施工图集
防水板施工
镀铝锌钢挂瓦条安装方法
波形沥青瓦施工
搜索
首页
>
检测报告
波形沥青防水板-检测报告
2017-01-01 18:30:31 点击:
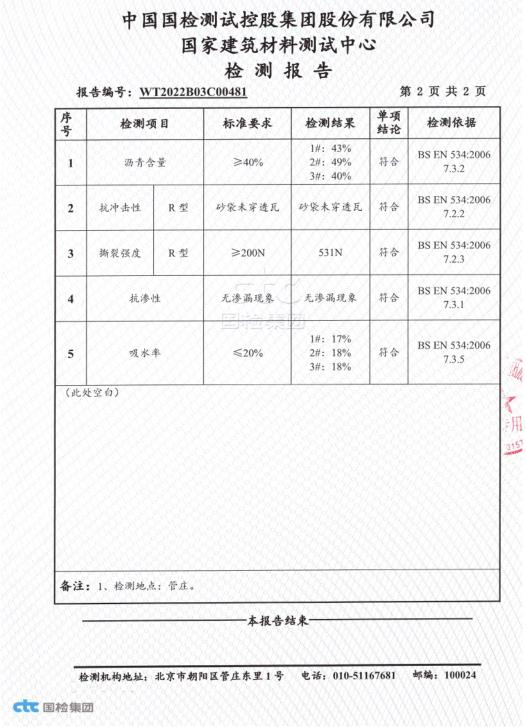
波形沥青防水板检测报告
2.6厚波形沥青通风防水垫层检测报告
文件下载:
检测报告-防水板-2022-5-17.pdf
(点击右键可另存)
上一篇:
陶感三维沥青瓦-检测报告
[2017-01-01]
下一篇:
波形沥青瓦-检测报告
[2017-01-01]
售前旺旺客服
微信二维码
手机网站